| Sign In | Join Free | My xpandrally.com |
|
Brand Name : YBX
Model Number : YB11E2-3A-W
Certification : UL/TUV/COC/CE/ROSH
Place of Origin : CHINA
MOQ : 50
Price : 6
Payment Terms : L/C, D/A, D/P, T/T, Western Union, MoneyGram
Supply Ability : 10000
Delivery Time : 30
Packaging Details : cardboard box
Model : YB11E2-3A-W
Transfer Function : Low Pass
Nominal Center Frequency : 10K-30MHZ
Insertion Loss : 60~90dB
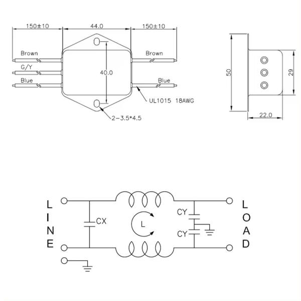
The Small Size Single-Phase Filter, model YB11E2-3A-W, features a low-pass transfer function and surface mount package type. It operates within a nominal center frequency range of 10kHz to 30MHz, providing an insertion loss of 60 to 90dB and an input impedance of 50Ω. It is designed to work with rated voltages of 115V or 220V and rated currents ranging from 1A to 100A. With an environmental temperature tolerance of 40°C and a temperature range from -25°C to 85°C, it is suitable for diverse operating conditions. The filter functions at an operating frequency of 50/60Hz and can handle line-to-line voltages up to 1450VDC and line-to-ground voltages of 2250VDC or 2000VAC. It maintains a maximum leakage current of 1.4mA at 115VAC/60Hz and 2.5mA at 250VAC/60Hz.

| Model | YB11E2-3A-W |
| Transfer Function | Low Pass |
| Package Type | Surface Mount |
| Frequency Range | 10kHz to 30MHz |
| Insertion Loss | 60~90dB |
| Input Impedance | 50Ω |
| Rated Voltage | 115V/220V |
| Rated Current | 1A to 100A |

Product Paramenters:
YBX offers a wide range of EMC/EMI filters, ensuring international compliance standards and enhancing equipment safety. With 15 years of industry experience, our products are certified by UL, CQC, CE, TUV, ROSH, and ISO9001:2015, guaranteeing top-notch quality and reliability. Our dedicated design team and advanced testing instruments provide expert EMC testing at no cost. With a 3,000 square meter production workshop, we offer competitive pricing, excellent service, and fast delivery times.
We adhere to the "quality first, integrity-based" principle, striving to meet the diverse needs of customers in terms of technology, quality, price, and delivery. Our products are widely utilized across various industries, backed by professionalism, innovation, and technical collaboration with reputable Chinese institutions. Since 2018, our Dongguan production base has enabled automated large-scale production, while our Dongguan laboratory offers EMC technical solutions and services, successfully addressing numerous customer challenges. We invite your support to witness our mutual success.
|
|
AC Single Phase General EMI Filter 220V 1A~10A Power Line Filter For Oscillograph Images |